Передний ступичный подшипник — Suzuki SX4 (1G),...
Замена подушек двигателя SUZUKI BIGimot — Suzuk...
Клапан лепестковый на скутер Suzuki AD 50/100сс...
Грипса Suzuki Запчасти для мотоциклов Suzuki
Набор для Ремонта Карбюратора Mikuni, запчасти ...
Suzuki SX4 в разбор! — SerpAutoParts на DRIVE2
Запчасти Сузуки в Тюмени | Каталог, купить
Накладка на задний бампер SX4 new с загибом — S...
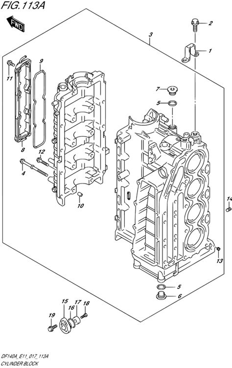
Блок цилиндров для Suzuki DF140A, год: 2017. OE...
Оригинальные запчасти на автомобили Suzuki
4411967D01 Комплект пыльников SUZUKI | Запчасти...
Артикулы расходников и запчастей у ОД — Suzuki ...
Клипон левый Suzuki Запчасти для мотоциклов Suzuki
Радиатор кондиционера на Suzuki Grand Vitara - ...
7783179J000PG Надпись SX4 SUZUKI | Запчасти на ...
Запчасти для автомобилей Suzuki разборка Сузуки
Колокол сцепления Suzuki Lets б/у, купить по це...
Рычаг передней подвески правый нижний на Suzuki...
Каталог запчастей Suzuki Swift Sport ZC33S — Su...
Топливный насос для Suzuki DF9.9B, год: 2016. O...
Рулевые тяги и наконечник Lemforder для SUZUKI ...
Двигатель Suzuki Запчасти для мотоциклов Suzuki
Сервопривод Suzuki Запчасти для мотоциклов Suzuki
Запчасти SUZUKI | Бампер-Сервис: Кузовной ремон...
Замена тормозных колодок, дисков, сайлентблоков...
Ремкомплект редуктора Suzuki DT40, DF40-DF50, D...
Ремень вариатора 664-16.4 на скутер Suzuki lets...
2240083050 Диск сцепления SUZUKI | Запчасти на ...
Коленвал на скутер Suzuki AD100cc купить с дост...
Suzuki - официальный сайт Сузуки Мотор Рус — За...
Запчасти для Suzuki Vitara | Электронный оригин...
Замена задних ступичный подшипников. — Suzuki J...
4526165J00 Сайлентблок переднего рычага передни...
Головка блока цилиндров Передняя Front Suzuki V...
Запчасти для Suzuki - интернет магазин автозапч...