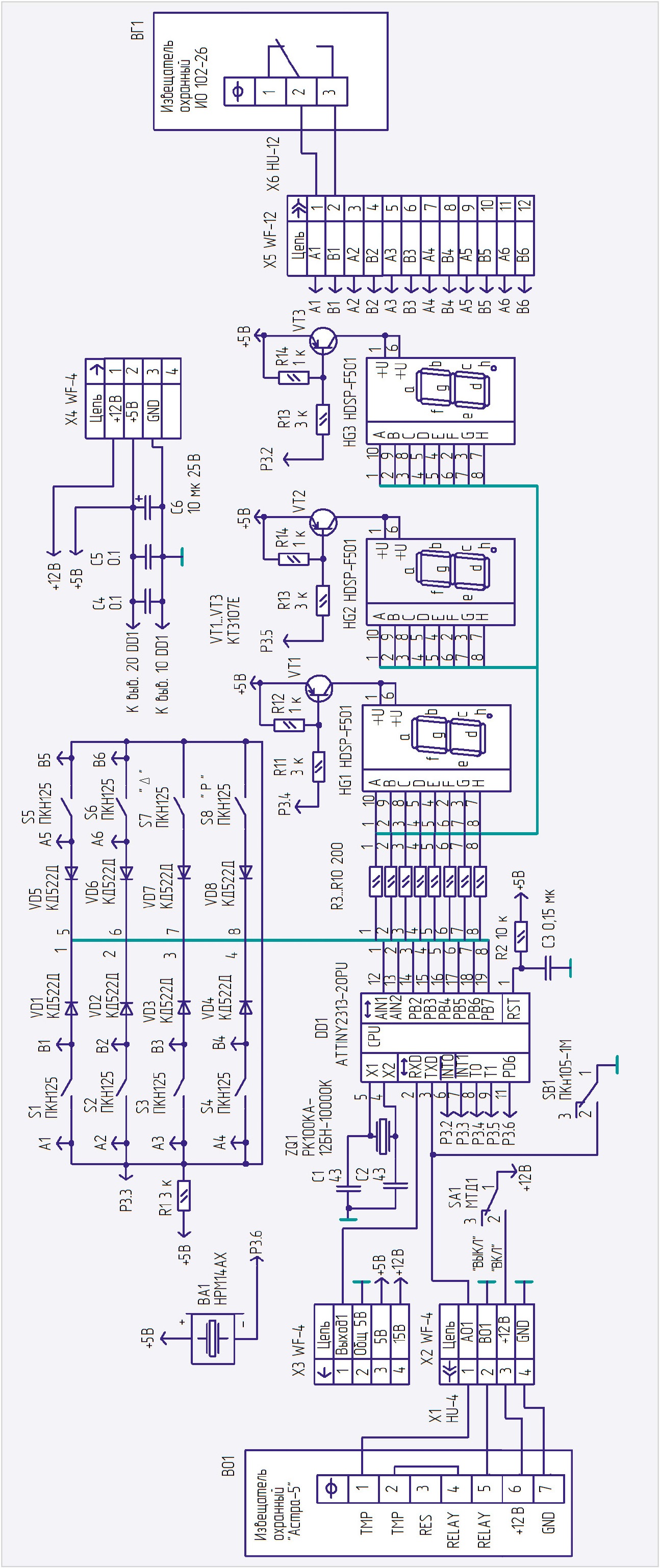
Плата контроллера для охранных извещателей «Астра-5» и ИО 102-26

Плата контроллера для охранных извещателей «Астра-5» и ИО 102-26