Зуммер на камаз схема подключения - 88 фото
ЗАБРАЛ 2 СТАРТЕРА С РЕМОНТА И СДЕЛАЛ ЗУММЕР НА ...
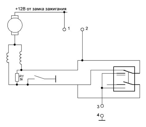
РС531 Реле зуммер 24V КАМАЗ,МАЗ,КРАЗ,УРАЛ,ПАЗ А...