Original VIFA D25AG-35-06 4'' HiFi Home Audio D...
2 шт.,, VIFA D25AG-35-06, 4 дюйма, алюминиевый ...
vifa/scan-speak - datasheet
VIFA (Denmark) D25AG-35-06 1" Dome Tweeter (USED)
Vifa D25AG-35 -06 Aluminum Dome Tweeter
New Project With the Amazing Vifa D25AG-35-06 -...
오리지널 VIFA D25AG-35-06 고성능 알루미늄 멤브...
Vifa D25AG-35 6 ohm metal dome tweeters hi-end ...
Peerless (Vifa) D25-AG-35-06 tweeters Photo #40...
Bibb Technical Services. Vifa D25AG 1" Aluminum...
głośniki wysokotonowy VIFA D25AG-35- ,szt 2 - 8...
Zwrotka Vifa XT18WH-09-08 i D25AG-35-06 - stron...
Peerless (Vifa) D25-AG-35-06 tweeters For Sale ...
Store Home Products Feedback
2Pcs 4inch Original Vifa D25AG-35-06 Aluminum D...
Vifa D25AG-35-06 Tweeters For Sale - US Audio Mart
Vintage Vifa D25AG35-06 1″ Aluminum Alloy Tweet...
2PCS Original VIFA D25AG-35-06 4inch Aluminum D...
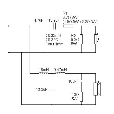
Zwrotnica dla Vifa D25AG - DIY - Audiostereo.pl
FS: Vifa P17WJ-00-08 , P21WO-20-08, & D25AG-35-...
VIFA D25AG-35 1" aluminum tweeters (2) Photo #8...
Helpful (2)
2 Replacement 1" Titanium Dome Tweeter Diaphrag...
DIY speaker designs: Vifa P17WJ-00-08 - D25AG-3...
Купить Колонки | 2 Pieces Original VIFA D25AG-3...
Vifa D25AG-35-06 - Old - Datasheet | PDF
2PCS Original VIFA D25AG 35 06 4inch Aluminum D...
Vifa Hoch- und Mitteltöner