ИП 212-44 с МС-01: Извещатель пожарный дымовой ...
Подключение ИП212-147 к WBIO-DI-WD-14 - Поддерж...
ИВС-Сигналспецавтоматика: ИП212-252С (ИПДЛ-252С...
ИП212-1ВЛ "Линия" - Извещатель пожарный дымовой...
ИП212-52СМ «ИПДЛ-52СМ» (8-80 м) - Однопозиционн...
Ип212 41м схема подключения ип212
Схема подключения пожарного дымового оптико-эле...
ИП212-63М «Данко 2» - Извещатель пожарный дымов...
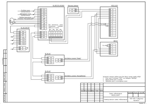
Ип212 схема подключения - 96 фото
ИВС-Сигналспецавтоматика: ИП212-252С-П (ИПДЛ-25...
ИП212-5М с защитной сеткой от Поставщика года в...
ИП212-44 (ДИП-44) ИВС-Сигналспецавтоматика Изве...
6 грудня – день ЗСУ - УПРАВЛІННЯ ОСВІТИ АДМІНІС...
Контрнаступ ЗСУ: у Міноборони вказали, на яких ...
Новинка! Извещатель пожарный дымовой ИП212-212 ...
ИП212/101-18-R
Ип212 5му схема подключения
Взрывозащищённый дымовой пожарный извещатель «И...
Извещатель пожарный ИП212-88А | OpenDevices.ru
Ип212 52м схема подключения
ИП212 1В. Извещатель пожарный дымовой взрывозащ...
ИП212-1В-R3
Ип 212 3Су Инструкция - directionondemand
Пожарный линейный однопозиционный извещатель IV...
Комплект 4 датчиков дыма автономных - Извещател...
ИП212-252СМ (ИПДЛ-252СМ) - линейный дымовой пож...
ИП212-52СМ «ИПДЛ-52СМ» (8-80м)
Пожарная сигнализация ИП212 9 УУОС 1 разборка, ...
ИП212-3СУ Извещатель пожарный дымовой оптико-эл...