2018 Hyundai Elantra Master Warning Light | She...
Hyundai Tucson 2015 - 2018 - STOP LAMPA ZADNJA ...
Замена лампы стоп сигнала и габаритного света в...
Замена лампочек в фонарях Хендай Туссан 2018 / ...
Замена ламп стоп сигнала своими руками + видео
Какие лампы стоят в фарах hyundai creta 2018 - ...
Лампа повторителя стоп сигнала
Замена лампочки дополнительного стоп сигнала хе...
Хендай Туссан. Замена выключателя стоп-сигнала
2PC-Amber-LED-Side-Marker-Light-Turn-Signal-Ind...
Лампы для Хендай Туссан: описание, выбор, приме...
LED в салон туссан — Hyundai Tucson (TL), 2 л, ...
Значки на панели приборов Hyundai Tucson 3 (201...
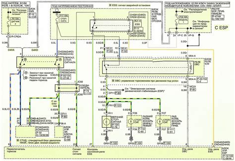
Электросхема стоп-сигналов (Хендай Туссан 2 200...
HYUNDAI TUCSON STOP LAMBASI SIFIR 2015-2018 DIS...
Замена лампы стоп сигнала. — Hyundai Creta (1G)...
Замена предохранителя №15 стоп сигнала в автомо...
Важные советы по замене лампочек стоп-сигналов ...
Лампа стоп сигнала туксон — купить по низкой це...
Какая лампа стоп сигнала идет в хендай крета - ...
Электросхема звукового сигнала (Хендай Туссан 2...
HYUNDAI TUCSON 2015-2018 - STOP LAMPA ZADNJA DE...
Hyundai Sonata 2018 led stop işığı, ehtiyat his...
Электросхема ламп стоп-сигналов (Хендай Туссан ...
Замена ламп стоп сигнала – Замена лампы стоп-си...
Замена лампочки заднего стоп сигнала: Замена ла...
ХЕНДАЙ АКЦЕНТ ПРОПАЛИ СТОП СИГНАЛЫ. МЕТОДИКА ПР...
1.Замена лампа стоп сигнала и габарита Kia Rio ...
Лампа стоп-сигнала указателя поворота (три функ...
Автомобиль Хендай Туссан. Электросхема Стоп-сиг...
замена ламп стоп сигнала на хендай туксон - You...
Как устроен и работает датчик стоп-сигнала в ав...