Explore the Comprehensive Irf640n Datasheet for...
IRF640N - MOSFET de potência de alto desempenho...
IRF640N_9051366.PDF Datasheet Download --- IC-O...
IRF640N IR 트랜지스터 - Jotrin Electronics
IRF640 ASLI ORIGINAL IRF640N ORI IRF 640 FET TO...
Transistor Irf640n Irf640 Mosfet Canal N 200v 1...
IRF640N - Infineon Technologies
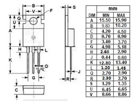
Mastering the IRF640N MOSFET Transistor : Datas...
IRF640N IRF640 IRF 640 N-Ch MOSFET TO-220 | Laz...
IRF640 IRF640N Mosfet Kênh-N 18A 200V TO-220 hà...
IRF640N, Транзисторы, характеристики, применени...
IRF640NPBF Datasheet - International Rectifier
Транзистор irf640 цена — купить по низкой цене ...
【量大價優】原裝 IRF640N IRF640NPBF 場效應管MOS...
IRF640N Datasheet PDF ( Pinout ) - Power MOSFET...
IRF640N MOSFET Transistor[FAQ+Video]: Datasheet...
Транзистор IRF640N, 5 шт - купить с доставкой п...
Jual TRANSISTOR TR IRF640N IRF 640N ASLI ORI OR...
IRF640N Mosfet: Datasheet, Equivalent, Pinout [...
IRF640 vs IRF640N: Datasheet, Specifications, a...
IRF640N 데이터시트(PDF) - Inchange Semiconducto...
Транзистор IRF640N TO-220 - КСП Електроникс
IRF640 TRANSISTOR MOSFET CANAL N 200V/18A IRF640N
Jual IRF640N Mosfet IRF 640N transistor IRF640 ...
มอสเฟต MOSFET IRF640N IR 200V 18A IRF640 | Shop...
IRF640N Datasheet(PDF) - International Rectifier
Полевой транзистор, ключ IRF640N, аналог IRF640...