Защита двигателя от обрыва фазы схема - Схемы
Защита трехфазного электродвигателя. Схема, опи...
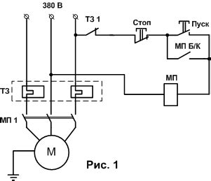
Защита двигателя трехфазного погружного насоса ...
Варианты подключения трехфазного двигателя - ЭЛ...
Способы защиты трехфазных двигателей
Защита двигателей от пропадания фазы
Защита трехфазного двигателя от пропадания одно...
Автоматическая защита трехфазного двигателя при...
Защита от обрыва фазы в трехфазной сети - ЭЛЕКТ...
Радиосхемы. - Автоматическая защита трехфазного...
Что такое реле контроля фаз и как оно работает....
Схема подключения 3 фазного двигателя с реверсом
Универсальные устройства защиты двигателей
Подключение 3-фазного двигателя на 220 вольт: п...
Схема защиты электродвигателя от пропадания одн...
Схема защиты электродвигателя
Простая защита электродвигателя.
Защита трехфазного двигателя.
RCB: 4-полюсные устройства защитного отключения...
схемы защиты двигателей
Защита 3-фазного двигателя от потери фазы - You...
Защитное устройство трехфазного двигателя
Блок токовой защиты электродвигателя ТЗД-3Ф-100...
Электрические схемы защиты трехфазных двигателей
Защита трехфазной нагрузки от пропадания фазы |...
Защита электродвигателя от пропадания фаз | Rad...
Принцип работы и защита трехфазного асинхронног...
Защита трехфазных электродвигателей | Электрошк...