FK-180SH-10400|マブチモーター株式会社 製品検索
FF-180PH FK-180SH carbon brushed iron cored per...
国领厂家供应FK-180SH-10400微型直流电机永磁马达...
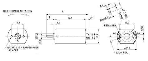
FK-180SH
Купить Двигатель микродвигатель моторчик машинк...
Amazon.co.jp: Lruirui-Dc 電気モータ 1ピースモー...
1 個モーター FK-180SH-10400 大トルク小型 dc モ...
Motor Fk-180sh-10400 | Diy Accessories | Small ...
FK-180SH-10400 12V-24V 5000rpm-10000rpm, www.ic...
180 12-24VDC 11000RPM Qingn-Moteur 1pcs Moteur ...
Мотор FK-180SH-10400 - КСП Електроникс
Mabuchi FK-180SH DC 6V-12V 14000RPM High Speed ...
Двигун мікродвигун LD-180FC-13180 (FK-180SH-104...
Mabuchi Motor FK-180SH 09450 12V 3500okr/min ko...
FK-180SH-10400 By China Shine Enterprises HK Li...
Store Home Products Outdoor Fun Feedback
FK-180SH Carbon Brushed Micro DC Motor | Foneac...
Sff5239d45603414b9cd1293f830c14f9G.jpg
SILNIK DC FF-180SH 3V 10400 RPM
Scef1a5f23be046e09526410fe83e124ei.jpg