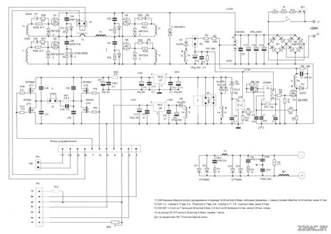
Fubag in 160 схема принципиальная: Схема свароч...
ТУ-160, предсерийный вариант. | Пикабу
Сварочник Fubag in 160 — купить в Красноярске. ...
Не включается FUBAG IN 160 - Fubag - Всё о ремо...
Инверторный сварочный аппарат Fubag IR 160 - Да...
ПВЦ ДЪГА Ф 160/30° - Аспид
Документы, инструкции и сертификаты на инвертор...
Inmig 160 fubag схема: Схема сварочного инверто...
Inverter in 160 fubag схема: Схема сварочного и...
Сварочный полуавтомат FUBAG INMIG 160: характер...
Запчасти для Fubag IN 160 (14121): цены, отзывы...
Сварочный инвертор IN 160 SYN Digital – купить ...
FUBAG IQ 160
FUBAG MICRO 160/12 OPERATOR'S MANUAL Pdf Downlo...
МФ 160 : купить погрузчик Микро-Ф, дизельный по...
FUBAG IN 160 PCB 64171 IND9 схема инструкции | ...
Тарельчатый дюбель F-ING 160/60 (50шт) в Москве...
FUBAG IN 160 SCH Service Manual download, schem...
Сварочного инвертора fubag in 160 ремонт своими...
Схема инвертора in 160 fubag: Схема сварочного ...
Схема сварочного инвертора фубаг ин 160 - Схемы
Сварочный инвертор Fubag IN 160 - особенности, ...
Fubag in160. Клоны: spark-180, GYSMI 160 IND1-1...
Сварочный инвертор fubag ir 160 схема и неиспра...
Ремонт сварочного инвертора fubag in 160 своими...
fubag 160 - Песочница (Q&A) - Форум по радиоэле...
Redukcja Gumowa FI 160 Insitu WG (160/177)
микросхема Fubag IN 160
Принципиальная схема fubag 160 - скачать