Плавное включение вентилятора при помощи термис...
Таймер отключения вентилятора - Автоматика - Фо...
Таймер вентилятора санузла: для чего нужен?
Вентилятор с таймером отключения - YouTube
Подключение вентиляторов с датчиками влажности ...
Таймер работы вентиллятора санузла
Таймер С Задержкой Выключения Схема - nycinstru...
#Таймер для вентилятора (на микроконтроллере). ...
Настройка таймера кондиционера - просто и понятно!
Таймер отключения вентилятора - Страница 3 - Ав...
Установил вытяжной вентилятор с таймером - YouTube
Как выключить таймер на выключателе света - 82 ...
Инструкция По Подключению Вентилятора С Таймеро...
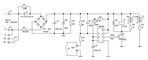
Таймер задержки выключения вентилятора
Вытяжной вентилятор – как устроен? Схема таймер...
Таймер циклической работы вентилятора Taymer ts...
Таймер отключения вентилятора - Страница 2 - Ав...
Таймер Вентс Т-1,5 Н задержки отключения вентил...
как выстааить таймер отключения духового шкафа ...
Таймер для вентилятора Вентс Т-1,5 Н
Таймер для вентилятора в ванной сделать самому ...
Бесплатно. Таймер Отключения - fiutorrent