Инверторы напряжения - презентация онлайн
Модуль управления силовыми ключами
Снимок1 | Инверторы, Схемотехника, Электронная ...
1.9. ИНТЕГРАЛЬНЫЕ МИКРОСХЕМЫ
Схема инвертера На рисунке в верху показана схе...
Раздел 9 - Инверторы напряжения Принцип инверти...
Автономный инвертор напряжения на транзисторах ...
Инвертор напряжения ⋆ diodov.net
Как работает ИНВЕРТОР НАПРЯЖЕНИЯ - YouTube
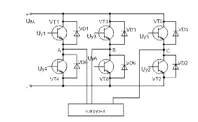
Силовая схема трехфазного инвертора напряжения
Инвертор напряжения
ТРЕХФАЗНЫЙ ИНВЕРТОР
2 Трехфазные инверторы напряжения
Автомобильный инвертор схема
Инверторы, Принципиальная схема, Электронная схема
Регулятор напряжения на микросхеме - схема | El...
Микросхемы-детекторы напряжения.Как контролиров...
Микросхемы для импульсных источников питания
13. Инверторы. Общие сведения, принцип работы, ...
Простой ИНДИКАТОР ТОКА ЗАРЯДА АККУМУЛЯТОРА / оч...
Схема высокочастотного преобразователя - инверт...
9. Микросхемы-стабилизаторы напряжения. | Техни...
Инверторы напряжения, Однофазные инверторы напр...
Интегральные микросхемы - презентация онлайн
Инвертор Чистый Синус С Алиэкспресс Тесты — Али...
Интегральная микросхема (ИМС) КР142ЕН12А регули...
Инвертор напряжения • HamRadio
Присоединённое изображение | Инверторы
Инвертор для асинхронного двигателя - RadioRadar
О применении микросхем интегральных стабилизато...