Предохранители нива 21214 инжектор схема предох...
Предохранители нива 21214 - как найти и поменять
Regulator pritiska goriva Lada 21214i Niva 1.7i...
Предохранители нива 21214 инжектор какой за что...
Как своими силами заменить предохранители на Ни...
Предохранители нива 21214 инжектор и их маркировка
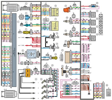
Схема ваз 21214 нива инжектор
Схема и расположение блока предохранителей Нива...
Описание, электросхема и замена блока предохран...
Реле бензонасоса нива 21214 инжектор расположен...
Предохранитель топливного насоса ваз 21214 где ...
Реле дворников ваз 21213 где находится
Схема предохранителей ваз 21214 нива
Электрическая схема ВАЗ 21214 Нива инжектор и фото
Реле блокировки стартера нива 21214
Блок предохранителей и реле Lada Niva 4x4(2121,...