Усилитель На Микросхеме Tda 1557Q - Начинающим ...
Compra tda1557q tda1557 online al por mayor de ...
TDA1557Q | doityourself, elektronik, tda1557q |...
5Pcs/lot TDA1557Q TDA1557ZIP 13Good quality In ...
Блог VolodiaP: Підсилювач на стерео мікросхемі ...
Вопрос По Tda1557 - Усилители мощности - Форум ...
Микросхема тда 1557q характеристика
Car Audio Amplifier TDA1557Q TDA1553Q
IC TDA 1557Q ORG – فروشگاه سلحشور
Tda1557
Tda1557 схема включения с однополярным питанием
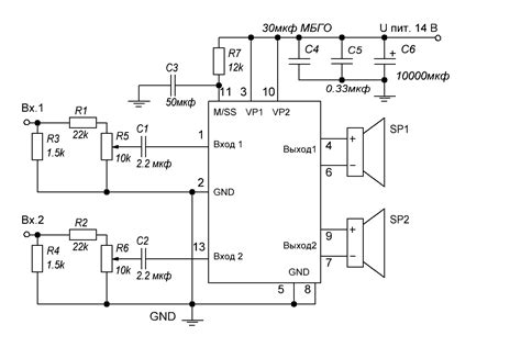
Простые схемы усилителей на TDA1557 и TDA1558 |...
Tda1557q схема усилителя печатная плата - Вмест...
TDA 1557, Tube TDA1557; Röhre TDA 1557 ID62902,...
Усилитель На Tda 1557Q - Для начинающих - Форум...
Jual ic TDA1557Q PHILIPS - TDA 1557 - TDA1557 d...
Усилитель на TDA1557 для автомобиля
TDA1557Q, TDA1557 2x22W BTL stro cr rdo pwr amp...
Tda1557 - Песочница (Q&A) - Форум по радиоэлект...
Ci Tda1557q Tda1557 Original | MercadoLivre
Усилитель на TDA1557Q
TDA1557Q TDA1557 ZIP-13 | Lazada.co.th
Semiconductor: TDA1557Q (TDA 1557Q) - 2 X 22W B...