Группа контактная замка зажигания опель омега б...
Где находится блок центрального замка опель оме...
Контактная Группа Замка Зажигания Opel Omega Ka...
Контактная группа замка зажигания OPEL Vivaro 0...
Замена контактной группы замка зажигания опель ...
Контактная Группа Замка Зажигания 205656 Opel /...
Личинка замка зажигания (+2 ключа) Опель Вектра...
Контактная Группа Замка Зажигания 1290400600 Op...
Контактна группа Opel Omega A, Vectra A, Tigra ...
Контактная Группа Опель Омега Вектра Астра Корс...
Центральный замок опель омега б - YouTube
Замена замка зажигания — Opel Omega B, 2,5 л, 1...
Контактная группа замка зажигания 96628500 9591...
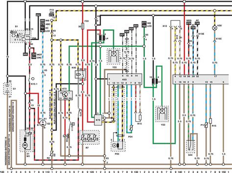
Распиновка замка зажигания опель омега
Контактная Группа Замка Зажигания Дэу Нексия Оп...
Контактная Группа Замка Зажигания для Опель Оме...
Замена личинки замка зажигания и контактной гру...
Замок зажигания, контактная группа, руль, сняти...
Купить Контактная группа замка зажигания 905059...
Купить Контактная группа Опель Омега Вектра Аст...
Контактная Группа Замка Зажигания Opel Kadett A...