AN7194K Audio IC parameters, equivalents, app n...
AN7171K
AN9134
AN7194 | Секреты телемастера
Module An7125 An7148 An7171k An7174k An7168 An7...
AN7241|AN7241| - AliExpress
AN7149N, AN7149, SIP-12 Entegre Devre
秋月電子通商さんで販売されているAN7194kを解説し...
AN7194K_217629.PDF Datasheet Download --- IC-ON...
AN6541
AN7194 Datasheet(PDF) - Panasonic Semiconductor
7194_1184431.PDF Datasheet Download --- IC-ON-LINE
AN7194K (1pcs) | eBay
AN7141
AN7124 | Download Free PDF | Amplifier | Electr...
AN7194K datasheet
AN7146
AN7149
AN8194-51L | ONNIK
Eyeglasses Arnette AN 7194 Dark Voyager - AN719...
AN7116
AN7118
AN7164 AN7195K AN7178 AN7147N AN7131 AN7125 AN7...
AN7194K PANASONIC Amplifier Linear Devices - Ve...
1PCS AN7194K Original New Matsushita IC | eBay
AN7195 datasheet(8/12 Pages) PANASONIC | Dual 1...
ร้านในไทย พร้อมส่ง AN7142 AN7523 AN7147N ออกบิล...
AN7140 AN7124 AN7190K AN7191K AN7173K AN7125 AN...
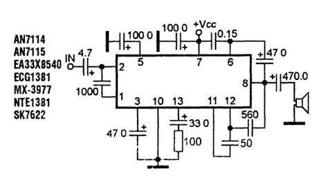
AN7114
AN7145_5331163.PDF Datasheet Download --- IC-ON...
AN7149N - Communica [Part No: AN7149N]