LM293 datasheet(1/15 Pages) NSC | Low Power Low...
Datasheet LM193, LM293, LM293A, LM393, LM393A, ...
L293: Marking - Power management forum - Power ...
LM193,. LM293,. LM293A. , LM393. , LM393A. , LM...
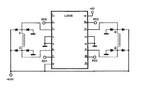
L293 Module
Unlock the Power of the L293 Datasheet: Everyth...
LAIMENG Vacuum Sealer Packaging Machine For Foo...
L293 datasheet(5/19 Pages) TI | QUADRUPLE HALF-...
LM293 SMD ST® eq
20PCS LM293DR LM293 original SOP8|lm293| - AliE...
LM293 datasheet(15/15 Pages) NSC | Low Power Lo...
S-293 - High quality design S-293 | Architonic
Вакуумный упаковщик вакууматор Laimeng S293 куп...
LM293: LM293 - Amplifiers forum - Amplifiers - ...
LM2903D datasheet(6/25 Pages) TI1 | Dual Differ...
Купить Бытовой вакуумный упаковщик LAIMENG, упа...
LM293 Datasheet(PDF) - Guangdong Youtai Semicon...
L293 D | PDF | Electronic Circuits | Electronic...
New linear LM293DR LM293D LM293 LM293DT SOP8|lm...
LM293D:Dual Comparator, 36V, Pinout, Datasheet
Introduction to LM293 - The Engineering Projects
LM293DR LM293DT LM293M LM293|lm293| - AliExpress
LM293 | PDF | Electronic Circuits | Electrical ...
LM293 datasheet(3/15 Pages) STMICROELECTRONICS ...
L293 datasheet(17/19 Pages) TI | QUADRUPLE HALF...
LM293 datasheet(1/4 Pages) UMW | Low Power Low ...
LM293 datasheet(4/4 Pages) UMW | Low Power Low ...
LM293 internal circuit | Electronics projects, ...