Мікросхема NTD5406NG 5406NG ON Semiconductor ко...
Мікросхема IDD06E60 marking D06E60 Infineon кор...
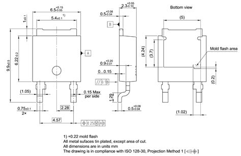
PG-TO252-3-11 | DPAK - Infineon Technologies
Figure 2: TO-252 package dimensions
Купити Мікросхема BTS6143D Infineon корпус PG-T...
Купити Мікросхема VN750-E STMicroelectronics ко...
TO-252 | 特瑞仕半導體株式會社 | 電源IC專業廠家 ...
BT137-600E SMD, Симистор, 600В, 8А, корпус DPAK...
TO252封装尺寸_引脚参数_焊接方法-IC先生
Транзистор STD13003 NPN 700(400)V 1.5A (20-25 A...
Транзистор польовий IRLR2905, N-кан., 55V 42A, ...
Купить Транзистор 2SK3205 K3205 Toshiba корпус ...
Транзистор CS8182DTRKG marking 8182G ON корпус ...
Транзистор 027A14 HARRIS корпус TO-252 (ID#1754...
Корпуса транзисторов то 252
Транзистор GD1258 STMicroelectronics корпус TO2...
(79M12(TO252-D-PAK
Мікросхема BTS142D Infineon корпус TO252 транзи...
TO-252-3 — корпус ЭК
PG-TO252-2-1 - Infineon Technologies
半导体高级封装TO-252产品优势介绍-产品优势-常州...
TO252 Type CJ
TO-252封装系列_深圳市鸿丰杰电子有限公司官网
TO-252|2P4M|单向可控硅
To 252 корпус
Купити Транзистор 2N06L35 IPD26N06S2L-35 Infine...
To 252 корпус размеры – Типы корпусов импортных...
TO-252-TO系列-安徽积芯微电子科技有限公司
TO252是什么封装_百度知道
PG-TO252-3-905 - Infineon Technologies