Оптотранзистор АОТ123А (НИКЕЛЬ) купить с быстро...
Transoptory - zastosowanie i zasada działania
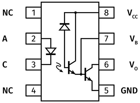
Оптотранзистор - Электротехника и электроника
АОТ110А Оптопара транзисторная, никель купить в...
Everlight Opto Fototransistor 5 mm 1100 nm PT33...
Оптотранзистор АОТ110Г купить с быстрой доставк...
E44-opto-transistor
Купить оптопары, каталог и цены на оптопары
Оптические транзисторы - будущее электроники » ...
Оптотранзисторы купить в Москве, низкие цены на...
TLP124(BV-TPL.F), Оптотранзистор 3,75кВ 80В 50м...
China in Stock EL817b Optoisolator Transistor O...
Optokoppler Phototransistor Sharp PC817X2NSZ0F ...
Тиристорная оптопара (оптрон) 3ОУ103А, новый, в...
Оптотранзисторы АОТ137Б1 купить в в Москве, низ...
Оптотранзистор АОТ162А купить с быстрой доставк...
Оптотранзистор в обратную связь - Обратная Связ...
Оптотранзистор MOC8050: продажа, цена в Киеве. ...
Оптотранзистор: АОТ101ГС - купить, цена | ПромК...
Фототранзистор: схема, принцип работы и характе...
Синхронный Симисторный Регулятор - Регуляторы м...
Оптотранзисторы купить в Москва, низкие цены на...
Оптотранзисторы HCPL-073A-500E Broadcom купить ...
Электронные устройства для "Sinclar ZX Spectrum...
АОТ110А оптопара транзисторная, цена, описание
Transistor, Photovoltaic Output Optoisolators |...
on video TOP 5 OPTO Transistor Electronic Circu...
Оптотранзистор 6N137 50 шт. - купить с доставко...