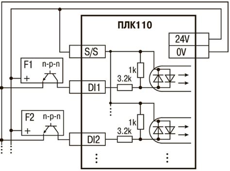
ОВЕН ПЛК110 [М02] моноблочный контроллер | Техк...
Блок питания ОВЕН ПР110 - Копии схем и печатных...
Ограничители перенапряжения ОПН-П 110 кВ 1,1 Кл...
Lemken Opal 110 pług Rudniki • OLX.pl
ПЛК110-М02 ОВЕН Контроллер Программируемый Логи...
Программирование ПЛК Овен ПЛК110
Контроллер ПЛК 110 (ПЛК110, ПЛК110-24, ПЛК110-2...
Овен плк 110-220.60 К-М купить в Кирове | Товар...
Программируемый логический контроллер ОВЕН ПЛК1...
Плк110 60 подключение к компьютеру
Использование операторских панелей Weintek в св...
ПЛК ОВЕН 110: Обзор железа и базовые принципы р...
ОПН 110 кв принцип работы – Tokzamer
ПЛК110-24.60.К-МS4-3 ОВЕН Контроллер логический
МК110 ОВЕН Модули дискретного ввода/вывода МК-1...
„Плен“, еп.110: Али е намерен, а Орхун казва на...
Овен ПЛК110 Инструкция по эксплуатации онлайн [...
Обмежувач перенапруги ОПН-П-110/60/10/400 УХЛ1 ...
LEMKEN Opal 110