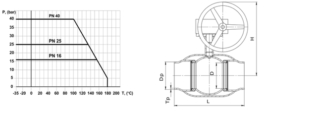
Кран шаровый приварной Ду150/150 стальной полнопроходной с редуктором ...

Кран шаровый приварной Ду150/150 стальной полнопроходной с редуктором ...