Кран управления 5511-8607070 КамАЗ-5320
Кран прицепа камаз схема
Купить кран ебс управления прицепом Скания K020...
Подключение крана управления тормозами прицепа ...
Как подключить кран управления прицепом камаз е...
Кран сливной 5320-1300023 КамАЗ-43101
Принцип работы крана управления тормозами прице...
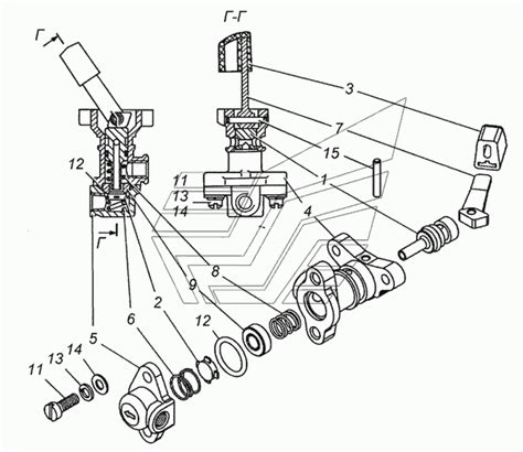
Кран масляной системы КамАЗ-5320 (Чертеж № 115:...
КамАЗ КамАЗ-5320 Привод управления механизмом п...
Схема подключения крана прицепа камаз
Устройство и работа привода сцепления автомобил...
53201013095 Кран КАМАЗ масляной системы в сборе...
Грузовой автомобиль КАМАЗ 5320: описание
КамАЗ-5320, технические характеристики
Регулировка делителя Камаз 5320 | автомеханик.ру
Автомобильный кран Камаз 5320 - Чертежи, 3D Мод...
КамАЗ 5320: цена, технические характеристики, ф...
Кран управления делителем КамАЗ-5320
5320-8105160 Кран отопления в сборе КамАЗ-4350 ...
Камаз 5320 габариты – Гидроусилитель рулевого у...
Кабина камаз 5320 (72 фото) - красивые картинки...
Органы управления, оборудование кабины КамАЗ-5320
Кран управления подъема платформы для КамАЗ 551...
Схема подключения крана управления прицепом камаз
Устройство на КамАЗ 5320 | новости СпецМаш
Разобщительный кран тормозов прицепа автомобиле...
5320-2511060 Кран включения блокировки КамАЗ-65...
Кран управления прицепом маз принцип работы
Пгу камаз 5320 устройство: Устройство и принцип...