Индикатор напряжения на светодиодах своими рука...
Индикатор напряжения на светодиодах: схемы и ин...
Индикатор напряжения на светодиодах своими руками
Как сделать индикатор напряжения на светодиодах...
Индикатор напряжения на светодиодах: схема, как...
Индикатор напряжения на светодиодах - 3 схемы
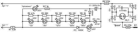
Наверное самая простая схема индикатор напряжен...
Схема Индикатора Напряжения на Светодиодах 12 В...
Как сделать светодиодный индикатор напряжения с...
Индикатор напряжения на светодиодах - 3 схемы д...