АВР 25А фірми АВВ: ціна 3999 грн - купити Енерг...
Авв авр на автоматических выключателях
Фото автоматического включения генератора
Авр авв 20А на панели 19 купить в Великом Новго...
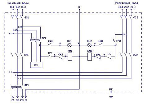
Схема электрическая принципиальная автоматическ...
Решение по автоматическому вводу резервного (АВ...
АВР для ВРУ: подружили МАВР-3-21 и модульный мо...
АВР для Научного предприятия! | АВР 25А N1+N2 А...
Готовый АВР на ток от 40-125 ампер в компактном...
АВР автоматический ввод резерва | АВВ-Электро.ру
Щит АВР 16А АВВ - купить по цене 18825 руб/шт с...
Фотографии изготовленных электрощитов на продук...
Автомат включения резерва и шкаф АВР на 2 и 3 в...
АВР назначение, технические характеристики, про...
Блок автоматического ввода резерва (АВР) ATS022...
АВТОМАТИЧЕСКИЙ ВВОД РЕЗЕРВА - Как собрать схему...
Щит АВР Ритал АВВ - Чертежи, 3D Модели, Проекты...
ВРУ / АВР с секционным АВ, на приводах АВВ на в...
Фотографии электрощитов на продукции АВВ ABB, м...
Авр 25а фірми авв — цена 3900 грн в каталоге Об...
АВР: что это такое, расшифровка, устройство, ва...
Монтаж авр подробное описание
АВР на АВВ - YouTube
АВР 25А N1+N2 АВВ модульный V.01 – ЭЛЕКТРОКОМПЛЕКТ