Установка реле регулятора паузы задних дворнико...
Реле дворников на ларгусе где находится? | Auto...
Реле вентилятора Ларгус (паль на Озон) — Lada L...
Схема реле ларгус 16 клапанов
Предохранители лада ларгус и реле со схемами, р...
Реле дворников лада ларгус – Прокачай АВТО
Установка реле регулятора паузы передних дворни...
Схема и подключение четырехконтактного реле. Ра...
Предохранители Лада Ларгус и реле с назначением...
Пауза дворника заднего стекла - Лада Ларгус клуб
Расположение, схемы, таблицы предохранителей и ...
Регулировка паузы дворников ларгус
Эпопея с релюхами дворников завершилась — Lada ...
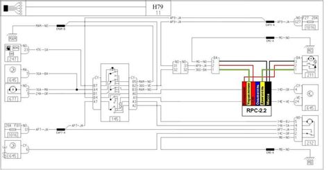
Реле с паузой (регулируемой) на задний/передний...
Втягивающее реле Ларгус Valeo - цена от руб. ку...
Распиновка реле дворников ваз - 82 фото
Нужна помощь в установке подрулевого переключат...
Распиновка реле ларгус - Электротехника и элект...