Купить Реле поворотов ЗИЛ, Камаз, МАЗ, СуперМАЗ...
Схема подключения сигнала через реле на лада веста
Описание предохранителей и реле Лада Веста - Ав...
Купить Реле поворотов Лада 2107 I (1982–2012) [...
Лада веста схема предохранителей и реле
Реле стартера LADA Vesta,Granta/веста, гранта V...
Блок предохранителей и реле Лада Веста
Предохранители и реле Лада Веста (2015-2024) | ...
Схема реле и предохранителей лада веста - new-v...
Схема реле и предохранителей Лада Веста - Легко...
Схема реле и предохранителей Лада Веста, их обо...
Купить 4-х контактное реле автоматического вклю...
Схема реле и предохранителей Лада Веста - Duste...
Повторители поворотов для зеркал нового образца...
Предохранители и реле Лада Веста (Lada Vesta) с...
Купить Реле поворотов Лада 2107, [6422-3747], (...
Схема реле и предохранителей лада веста
Блок предохранителей лада веста с описанием, сх...
Предохранители и реле лада веста
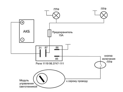
Установка реле на ближний свет лада веста - 80 ...
Схема реле и предохранителей Лада Веста | New V...
Обозначение предохранителей и реле лада веста
Проверка главного реле и силовой цепи Лада Вест...
Схема реле и предохранителей лада веста, их обо...
Предохранители Лада Веста схема реле и их особе...
Распиновка реле поворотов ВАЗ 2109, 2108, 2106,...