Переменный и подстроечный резистор в чем разница
Подстроечный резистор схема подключения
2 кОм Резистор подстроечный 3266P-1-202 (4шт) -...
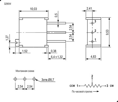
3296W - 2.0 кОм - многооборотный подстроечный р...
Регулировка и подключение подстроечного резисто...
Подстроечный резистор RM065 в Москве/YourDuino.ru
2 кОм Резистор подстроечный 3296P-1-202 (1шт) -...
Подстроечный Резистор купить на OZON по низкой ...
200Ом 3296W, подстроечный резистор купить недор...
Резистори Резистори подстроечные — купити в інт...
15 кОм Резистор подстроечный 3296W-1-153 (5шт) ...
Резисторы. Типы резисторов - презентация онлайн
Подстроечный резистор 2 кОм RM065: продажа, цен...
5 кОм Резистор подстроечный 3266W-1-502 (5шт) -...
⚡️#7 Переменные и подстроечные резисторы. Делит...
Что такое подстроечный резистор: описание устро...
10 шт., Подстроечный резистор Rm065, 100, 200, ...
для чего нужен подстроечный резистор
3266W-1-202 0,5W(Ватт) 2kΩ(кОм)-А±10% Резистор ...
Подстроечный резистор 3296 W 105 - 1 МОм - купи...
Резистор подстроечный 2 кОм 10% (RM065-202) - к...
Принцип работы подстроечных резисторов
Резистор и сопротивление [База знаний]
Smd резистор 202 маркировка - Маркировка-Про
Подстроечный резистор 202 — купить по низкой це...
Как подключить подстроечный резистор 3 контакта
3362P-1-202, 2 кОм, Резистор / потенциометр под...
Резистор подстроечный (потенциометр) 3362P-1-50...
Расшифровка маркировки подстроечных резисторов
Переменные и подстроечные резисторы. Где примен...