Build a programmer circuit with CH340G. Is it g...
Arduino Uno R3 Ch340g Smd With Male Pin Headers...
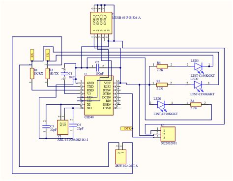
CH340G USB - Arduino compatible - EasyEDA open ...
Arduino nano ch340 ubuntu
CH340C circuit not working - General Electronic...
Arduino Nano CH340G_SCH Resources - EasyEDA
Couldn't Run CH340G Circuit - Uploading - Ardui...
Arduino Nano CH340G Resources - EasyEDA
Problem with custom PCB and CH340G - can't uplo...
arduino_uno_scheamtic_ch340.png - Diagram Board
Arduino Uno R3 CH340G - купить в duino.ru
Arduino clones with CH340G IC – lucadentella.it
Ch340g Arduino Pinout: A Comprehensive Guide
Arduino Uno CH340G -Type C - Toko Komponen Elek...
Building my own Arduino uno: Problems with CH34...
No Comm with UNO CH340G - Uploading - Arduino F...
arduino uno ch340 - Diagram Board
Arduino Mega CH340G precízny klon – Techfun.sk ...
CH340G Arduino1 Diagrama | PDF | Electrical Eng...
Ch340g arduino linux
Arduino UNO CH340G (Clone to Arduino UNO R3)
Elektronika_diy: Arduino NANO i instalacja ster...
Arduino Uno R3 Ch340g Atmega328p Cable For Ardu...
Arduino Uno CH340G - Toko Komponen Elektronik ,...
Arduino Ch340g Troubleshooting, Fixing Errors a...
Arduino UNO and Nano CH340G Schematics - Page 2...
Контроллер плата Arduino Nano CH340G Type-C / А...
Arduino Powered - Instructables
Getting generic Arduino boards with CH340G chip...
CH340G serial circuit not showing port - IDE 1....
Arduino nano ch340g что это