Датчик протечки воды ИПРо (НРЗ) от производителя.
Датчики протечки воды накладного монтажа на пов...
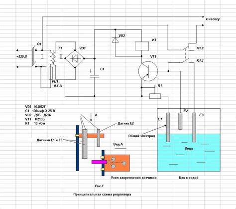
Датчик протечки воды. Подключение датчика. Прин...
Датчик протечки воды KERUI HH-LS518A - 400 руб....
Схемы сигнализаторов критичного уровня жидкости
Датчик протечки воды
H2O-Контакт NEW исп.2 (Н.О.) | Датчик протечки ...
Датчик протечки воды: как работает, схемы подкл...
Датчик протечки воды как выбрать - 98 фото
Купить Датчик протечки воды waterLeakSens - Дат...
Датчик протечки и дождя | AmperMarket.kz
Датчик протечки воды. Датчик воды. Сенсор воды....
Схема подключения датчика протечки воды - 88 фото
Датчик протечки воды тип выхода сухой контакт 9...
Детектор (датчик) протечки воды купить в Алматы
Датчики протечки воды нептун как работает - 81 ...
Датчики протечки воды нептун как работает 85 фото
Датчик протечки воды Xiaomi
Датчик протечки
Датчик протечки воды – Flood Sensor | FIBARO
ТОП 13 Датчиков протечки воды - Рейтинг 2023 года
Датчик протечек воды | Установка и тестирование...
Как работает датчик протечки воды - 87 фото
Защита от протечек воды: назначение и установка...
Датчики для воды: виды, принцип действия