Стойка опорная телескопическая для трубогиба/пр...
Стол из труб своими руками 800 фото, пошаговые ...
Стол для трубогиба своими руками
Полная сборка трубогиба — DRIVE2
Трубогиб для профільної труби: креслення саморо...
Greenlee 1802 - Стол для трубогиба цена, купить...
Дорны для трубогиба | Ручные станки для обработ...
Стол для трубогиба своими руками - 94 фото
Трубогибы: виды, конструкции, применение
стол, упор для трубогиба - YouTube
Ручной трубогибочный станок CM-30/3 PARTNER - ф...
Углогиб для трубогиба Геликон "DINO" - купить с...
27 идей как сделать трубогиб своими руками
СТОЛ для беседки с БЕСПЛАТНОЙ СТОЛЕШНИЦЕЙ с пом...
Гибочные Станки - Купить В Москве | Цены И Отзы...
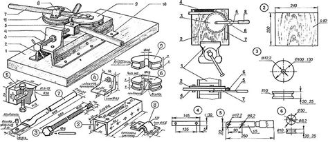
Трубогиб своими руками - 93 фото и простые черт...
Стойка для трубогиба — DRIVE2