Шим контроллер для регулировки оборотов двигате...
5pcs/lot Md12 Md12h Dip-8 12w Switching Power S...
ШИМ контроллер на 12 вольт
Сравнение контроллеров
Реле smih 12vdc sl c схема подключения
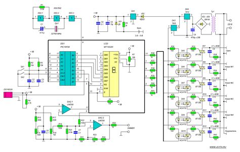
» Многофункциональный аквариумный контроллер
Цифровой шим контроллер
Original MD12H MD22H DIP8 IC New | Shopee Malaysia
Мини ШИМ контроллер
全新直插8脚 MD12H MD12 12W开关电源芯片 PWM控制...
集成了脉宽调制,低待机功耗离线式电源控制IC--MD12...
Доработка китайского 12В зарядного устройства д...
Реле SMIH-12VDC-SL-C (12 В, 8PIN) | 16 А | Ampe...
Шим md12h схема включения - 92 фото
10А 12V-48V ШІМ Регулятор оборотів двигуна пост...
ШИМ контроллер для Беговой дорожки - YouTube
Мощный ШИМ регулятор
Шим md12h схема включения
ШИМ-контроллер для устройств 12В • HamRadio
Регулятор мощности с ШИМ на 12В | Radio-любител...
Помогите найти аналог шим контролера! - Бытовая...
IC nguồn MD12H Dip-8 Chính hãng Linh Kiện Điện ...
50pcs MD12 MD12H DIP 8-in Integrated Circuits f...
Простой ШИМ регулятор