RR90328 – Rocky-Rail
938A (5).JPG
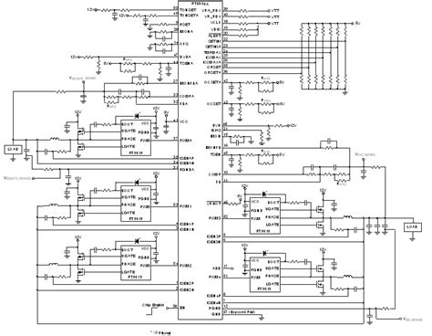
RT9081A-09GQZA(2) | Richtek Tech | Linear Volta...
RA-89058 | Sukhoi Superjet 100-95B | Rossiya Ai...
RT8088A Datasheet(PDF) - Richtek Technology Cor...
9058X BK005 Alpha Wire - Datasheet PDF & Techni...
RT8859A by Richtek USA Inc. Datasheet | DigiKey
Trace-Tec
RM958A – Digital Brothers Group
958A RCA NOS (0 In Stock), 51% OFF | einvoice.f...
RT9018A | PDF | Capacitor | Electronic Circuits
VinylSavor: Tube of the Month : The 958A
9058X BK005 | Alpha Wire Alpha Essentials Coaxi...
10pcs Free shipping RT9018A 25 RT9018A SOP8 off...
RT8295A datasheet(3/14 Pages) RICHTEK | 2A, 23V...
1PCS-Motor-patio-air-duct-main-board-RG00V399-K...
Honeywell RP908 A 1005 4 Controller RP908A10054...
PLC Hardware - HP Networking J9085A, Used PLCH ...
Porsche 911 (1987-1989) (RAC508A) - PowerLite U...
RT9018A 25PSP-in Relays from Home Improvement o...
Staubsauger Rowenta RO6885EA Testvideo - YouTube
9058A BK002 Alpha Wire | Cables, Wires | DigiKey
PLC Hardware: Allen-Bradley 855H-BCA10CDR4 855H...
HP 8958A and 8956A Teardown and Request - Page 1
cover image
RN2903A-I/RM105 Microchip | Microchip, LoRa Mod...
RT9058-50GX RICHTEK 3P/SOT-89
RA-89058 | Sukhoi Superjet 100-95B | Aeroflot |...
Pin RE199858 - Deere | AVSpare.com
RT9085A Datasheet(PDF) - Richtek Technology Cor...