Тахометр для авто универсальный автомобильный т...
Автомобильный Тахометр 8K С Белым Светодиодным ...
MINI TACHOMETER, 2:1 RATIO
локомотив тахометр - купить по низким ценам в и...
Купить Тахометр Ява ., цена 450 ₴ — Prom.ua (ID...
Тахометр М-185
Tachometer
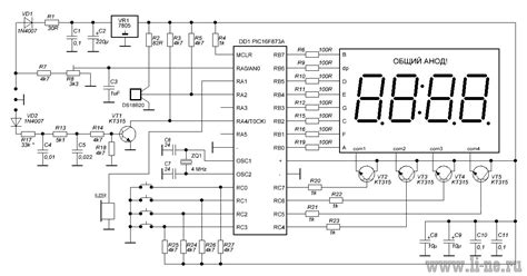
Тахометр своими руками. Часть 2. Практика. - Yo...
Что такое автомобильный тахометр и как он работает
Как сделать тахометр своими руками?
Что такое тахометр: Автомобильный тахометр — чт...
Мини Круглый Тахометр для лодочного мотора авто...
САМОДЕЛЬНЫЙ ТАХОМЕТР - Электрика
Тахометр для авто штурман 3 Мини вольтметр тахо...
Тахометр ТС-018 - Интернет-магазин - Тахометр с...
Принцип работы тахометра
Что такое тахометр в автомобиле: принцип работы...
Купить TACHOMETER на складе КОСМОДРОМ, Харьков,...
Купить Dynoracing 2 ''52 мм универсальный автом...
Тахометр Checkman — Lada 21013, 1,2 л, 1986 год...
Дозиметр Цифровой электронный тахометр HT-522 -...
Самодельный тахометр: как своими руками по схем...
Тахометры (32 фото): что это такое и как они ра...
Самодельный тахометр — Lada 2109, 1,5 л, 1996 г...
A small tachometer stock image. Image of dashbo...
Тахометр часовой ТЧ 10-Р. Низкие цены. На склад...
Мини электронный тахометр ваз 2105 — Lada 21053...
Тахометр ЯВА 350, 638 12V JING, цена 585 грн — ...
Тахометр ТС-011М - Интернет-магазин - Тахометр ...