Пра 18-20Вт Эпра 36-40Вт Для люминесцентных лам...
ЭПРА IN HOME серии SLIM ЭПРА-36-SLIM 36Вт 46906...
Эпра Tridonic PC 2/36 T8 PRO sl (бесшумный) куп...
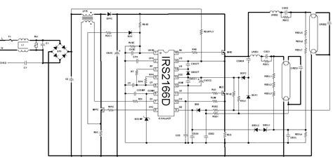
Схема эпра 36 - Схемы
LED эпра- драйвер Optima 36-40Вт. Вход 200-240v...
Эпра 1/36 W,новые | Festima.Ru – частные объявл...
Светильник ЛСП01 2х36Вт 1280х165х110мм IP65 012...
ᐉ Драйвер Optima ЕПРА Led 36-40w 175-265В 600мА...
Электронный балласт ЭПРА 1x36 Вт SYNERGY SY02-1...
ЭПРА PRO 36Вт серии ЕМС PRO для панели светодио...
Драйвер для LED панели 600x600 36W LMP-22 (LED ...
Светодиодная панельREVДрайвер ЭПРА для панели "...
ЭПРА-36-PRO 36W серии EMC PRO купить в Новосиби...
Garden Highpro Lumax PRO 600 Вт Купить
вот схема
ЭПРА -36-eco для панели светодиодной LP-eco-ПРИ...
Изображение
Электронный пускорегулирующий аппарат ЭПРА, 1 х...
Дроссель Эпра Tridonic PC 2/36 T8 PRO цоколь G1...
ЭПРА-36-SLIM 36Вт серии SLIM - купить с доставк...
ЭПРА - что это? Светильники ЭПРА: отзывы, цена
Схема подключения эпра 2х36 на 4х18
Электронный пускорегулирующий аппарат SVET ЭПРА...
Как подключить ЭПРА к лампе | Блог DzagiGrow
Эпра Tridonic PC 2/36 T8 PRO sl (бесшумный) | F...
ЭПРА LLT 36-SLIM 36Вт ЕМС серии SLIM 4690612021...
Подключение jebo к эпра 36 w - YouTube
Эпра 2х36 схема: Ничего не найдено для Epra Dly...