§ 2. КОНСТРУИРОВАНИЕ КРЫШЕК ПОДШИПНИКОВ
5.3. Размерные цепи конического одноступенчатог...
Описание цилиндрического редуктора
Редукторы
Редуктор: устройство, принцип работы, виды, наз...
Основные детали редукторов
Ремонт заднего редуктора (восстановления )замен...
Комплект подшипников на червяк в редукторе Tada...
редуктор что такое простым языком
Ремонт МКПП фотоотчеты : Замена подшипников в р...
Замена подшипников редуктора ваз своими руками
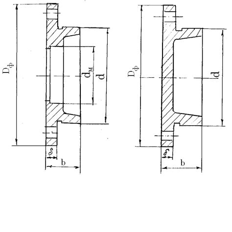
Крышки подшипников
Замена подшипников редуктора заднего моста - Ре...
13. Сборка редуктора
Крепление стаканов и крышек подшипников
Замена подшипников в редукторе
Редуктор для спортивных судов (Консультации / У...
Русский привод: редуктор, мотор-редуктор | Типо...
Крышки подшипников выполнены накладными
Схема установки подшипников в редукторе (2 виде...
Крышки подшипников - картинка из статьи «Редукт...
Новая модель подшипника SKF для редукторов ветр...
Конструктивные элементы корпуса редуктора
Замена подшипников в вискомуфте заднего редукто...
Сечение б-б.
Моторно-осевой подшипник и тяговый редуктор эле...
Как снять подшипник с редуктора: Подшипник реду...
Что такое редуктор: назначение, устройство, при...
10.5 Крышки подшипников и уплотнительные устрой...
Редуктор цилиндрическо-червячный. | PRO-TechInfo