DSC_5064 - خانه کشاورز
GitHub - JKS46/Lcd_prog: Lcd program
Køb EPOS IMPACT SDW 5064 her - JED
5064 | A Military Photo & Video Website
IMG_5064 | 09 JPh | Flickr
Кронштейн для телевизора 10"-32" HOLDER LCDS-50...
ST7565 LCDs: Graphical LCDs! - Instructables
Darshana industries Item No -DHLZC-5064-R - MAP...
LM5064: LM5064 current limit shunt resistor sel...
Подставка/крепление Holder LCDS-5064. Цена 661 ...
Купить Samsung DS-5064 в Минске — Диэйс
Quorum International 5064-4-14 Concord 4 light ...
Yamaha - 5064 - Pelders
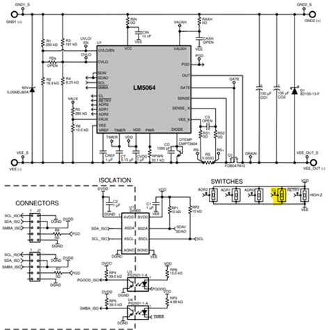
LM5064 Power Management and Protection IC - TI ...
Zahl 5064
Samsung DS-5064 | SEP Business Services
LD5064-05 | Nordecor Iluminação
IMG 5064 - Newsshooter
Кронштейн HOLDER LCDS-5064 белыйкупить по низки...
Cisco NCS 5064 Router Cisco NCS router Cisco Ro...
5064-7649 Cerjac (Digital Module) | ArtisanTG™
5064-3 Keystone Electronics | Hardware, Fastene...
Kundenspezifische LCDs
כורסת טלויזיה דגם 5064 - דיור אינטריורס
LM5064: Device shutdown during other card plugi...
DS 5064 C4 - GT EYEWEAR
Kurssi05_1: DSC_5064
Cisco Series NCS 5064 Router at best price in B...
LED DRIVING LIGHT WITH POSITION LIGHT CM-5064 -...