Купить Система переключения передач для мотоцик...
Делай правильно: как переключать передачи на мо...
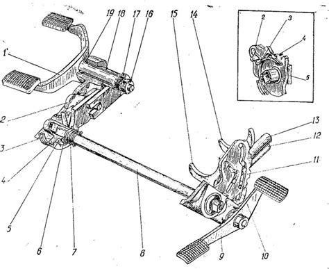
Механизм переключения передач мотоцикла ИЖ-П3.
Тяга переключения передач мотороллер Муравей б/...
Переключение передач на мотоцикле, правила и сп...
Педаль переключения передач для мотоцикла ATV
Регулировка механизма переключения передач мото...
Как переключаются скорости на мотоцикле. Перекл...
Рычаг переключения передач мотоцикла - арт. W35...
Лапка переключения передач + тяга - СВ-125/150 ...
Советы, как проще переключать передачи на мотоц...
КОРОБКА ПЕРЕДАЧ И МЕХАНИЗМ ПЕРЕКЛЮЧЕНИЯ МОТОЦИК...
Тяга переключения передач DAF LF45 LF55 1712043...
Тяга переключения передач мотоцикла - купить по...
Кпп урал мотоцикл схема переключения передач
Тяга КПП Урал Тягя коробки передач мотоцикла УР...
Механизм переключения передач мотоцикла Днепр-12
Рычаг переключения передач мотоцикла - купить п...
Рычаг переключения передач мотоцикла, педаль дл...
Переключение передач на мотоцикле
Для Harley Davidson Road King Street/Electra/Ro...
Переключатель передач мотоцикла рычаг, практичн...
Тяга переключения передач мотоцикла — купить по...
Коробка передач мотоцикла Урал: основные нюансы...