Инвертор 12 в 220 3000вт своими руками: Преобра...
Преобразователь напряжения, инвертор (12-220V) ...
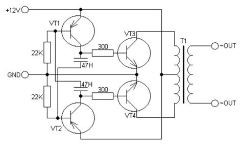
Схема мощного преобразователя 12 220 вольт 3000...
Преобразователь с 12 на 220 своими руками
Купить Преобразователь 12V на 220V 1000W Преобр...
Выбираем преобразователь с 12 на 220 вольт
Преобразователь 12 220 5000W. Інвертор для дома...
Инвертор 12V-220 "FOVAL 3000W", преобразователь...
Инвертор 12V-220 "UKC 3000W", преобразователь н...
Перетворювач 12V 220 В 3000w Чиста синуоїда, ці...
Преобразователь напряжения 12/220В HP-3000, 300...
Инвертор 12V-220 "LVYUAN 3000W MOD", преобразов...
Инвертор преобразователь напряжения 12-220в и U...
Преобразователь напряжения 12-220
Инвертор 12-220V 3000W. Автомобильный преобразо...
Преобразователь напряжения с 12 вольт в 220 вол...
12V в 220V 2000W Преобразователь напряжения 5 C...
Автомобильный преобразователь напряжения инверт...