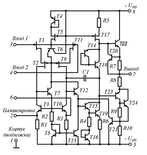
К140УД7 - Справочник по микросхемам
Микросхема к140уд8
Микросхема КР140УД8 ( К140УД8 ) 3 штуки - купит...
Схемы на микросхемах кр140уд8а
К140УД7, КР140УД7, КР140УД708, КФ140УД7, КБ140У...
К140уд8 схема включения
К140уд8а аналог
Усилительные каскады.
Микросхема КР140УД1208 — Баранов Денис
Микросхема кр140уд1208 как проверить
1. Микросхемы серии к140
Генератор нч своими руками на микросхеме к140уд8
Интегратор на ОУ
К140УД8 - Справочник по микросхемам
КР140УД8(А4)
Микросхема К140УД8 (8 конт.)
Обозначение микросхем серии140
Портал радиолюбителя / Справочники / Микросхемы...
К140УД8А, К140УД8Б, К140УД8В, КР140УД8А, КР140У...
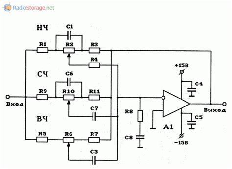
Простые темброблоки на транзисторе и на ОУ (КТ3...
1 Микросхема операционного усилителя
Микросхема 140уд8а схема включения