Врезной алюминиевый профиль скрытого типа (монт...
Электроустановочные скобы СИБРТЕХ 5 мм, круглый...
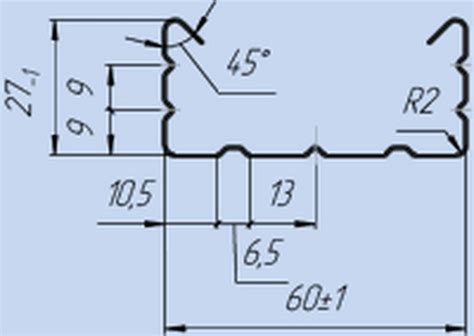
Профиль монтажный – ПКФ Промтехкрепеж
Инвентарь купить по выгодной цене в интернет-ма...
Прямая монтажка Станкоимпорт 500мм KA-2419 - вы...
Massey ect 600x19 front wheels | Pocock
Монтажное крепление для стандартного алюминиево...
Монтажный профиль перфорированный: п-образный, ...
Профиль для светодиодной ленты MULTI CR 60x9 | ...
Монтаж коробов из металлического профиля - 82 фото
Армуючий профіль - Монтаж-профіль. Львів
Инвентарь купить в Санкт-Петербурге, доставка п...
Монтажки купить по выгодной цене в интернет-маг...
Часть 3. Монтаж кладочных профилей вентилируемо...
Монтажка под домкрат Сервис Ключ 600 мм, цинк 1...
Монтажка TOPTUL прямая 530 мм JCAB2821 - выгодн...
Профили монтажные
Монтажные профили
Способы монтажа профилей - YouTube
Монтажни профили – Клима КГ
Монтаж металлопрофиля без ГКЛ - внутренний угол...
GARWIN PRO 770810-600 x 19 Монтажка прямая Cr-V...
Профиль для скрытого карниза для натяжного - фото
Монтажка прямая Cr-V, круглый профиль, 600x19 м...
Конструкционный профиль, алюминий, 20x20, 600мм...
Профиль круглый РМС на провод диаметром до 7,0 ...
Монтаж кровли
06 - Установка профилей - YouTube
Профиль направляющий
Профиль круглый РМС на провод диаметром до 2,0 ...