Микросхема tda2003 схема включения характеристи...
CD 2003GP, Tube CD2003GP; Röhre CD 2003GP ID663...
Industrial.Control,PLC,DCS
Микросхема utc2003 схема включения - 92 фото
Микросхема Ta2003P - Песочница (Q&A) - Форум по...
MCP2003B-H/SN микросхема >> недорого купить
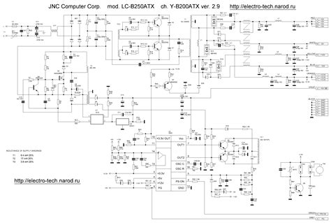
PC SMPS using IC2003 | Eletrônica, Circuito ele...
Микросхема ta2003p описание и схема включения -...
WANGZHEXIA S P For X C Port Br X R K30 Pro/Poco...
Пин на доске микросхема
Микросхема мс34063а схема включения - 88 фото
Редкая микросхема из СССР - YouTube
MCP2003-E/P Microchip Tech | C640332 - LCSC Ele...
Схема включения микросхема cd2003gp - 86 фото
РадиоКот :: USB программатор PIC микроконтролле...
SP-3000 - Запчасти для телевизоров
CSC2003P Datasheet -AM/FM RADIO IC ( = TA2003 )
УНЧ на микросхеме TDA2003 ловит сильные помехи ...
circuit design - Driving a 12V ~500mA load with...
3 volt easy DIY FM receiver by TA2003 I.C * Cir...
Art2003 Microchip PIC programmer DIY HackUniver...
Каталог - ЕЛЕКТРОКОПИРОВАЛЕН АПАРАТ ОТ 2003 - A...
MCP2003-E/SN микросхема >> недорого купить
power supply Page 18 : Power Supply Circuits ::...
Схема включения микросхема tda2003 - 85 фото
SP2003P SPT Other Components - Veswin Electronics
Siemens SIMCON32 - SMP G34924-P2003 - Modul - s...
Datasheet MS2003+ - SYSCOM
Переделка блока питания в зарядное устройство н...
MCP2003A-E/SN Microchip Tech | C635938 - LCSC E...