Интервью с героиней Беременна в 16: Наташа о жи...
Сідло - кришка статора (ліва) двигуна генератор...
БЕРЕМЕННА в 16 (МАМА в 16)от 20.03.2024 выпуск ...
БЕРЕМЕННА В 16 | 6 СЕЗОН, 6 ВЫПУСК | КАТЯ, САРА...
БЕРЕМЕННА В 16 | 7 СЕЗОН, 1 ВЫПУСК | МАРИЯ, МОС...
Лабораторный блок питания
История участницы шоу «Беременна в 16» Снежаны ...
Кабельный ввод взрывозащищенный Магнито-Контакт...
Реалити-шоу «Беременна в 16» покажут в кино | М...
Винты канюлированные
САМАЯ МЕРЗКАЯ УЧАСТНИЦА ШОУ БЕРЕМЕННА В 16 - al...
Обзор на новую серию "Мама в 16" с Ариной и Кол...
Вентилятор вн16-ухл 4 СССР | Festima.Ru - Монит...
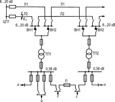
Схемы электроснабжения потребителей второй кате...
Вагітна в 16 (пародія) | Випуск 1 | Оксана - Yo...
Девушка с Урала стала героиней шоу «Беременна в...
Beremenna v 16. Geroinya iz goroda Ust-Ilimsk 2...
32-летнего учителя из ''Беременна в 16'' уволил...
Инструкционные карты по расхолаживанию локомоти...
Thailand receives 3 units of VN16 amphibious as...
Дугогасительная камера выключателя ВН-16 в Украине
Таїланд замовив бронемашини VN16 - Мілітарний
Мама в 16 | Арина, г. Кирсанов | 17 апреля - Yo...
История участницы шоу «Беременна в 16» Полины и...
Беременна в 16 каролина из хабаровска после про...
Купить панель облицовочная unipan цвет : вн16-0...
Выключатели нагрузки ВН ВНР ВНА
Беременна в 16. социальные сети, инстаграмы* уч...
Вагітна в 16 Анна з Дніпра - YouTube
Контакт неподвижный выключателя ВН-16 в Украине
Беременна в 16. Россия | Мама в 16 - Телеканал «Ю»
БЕРЕМЕННА В 16 | 6 СЕЗОН, 7 ВЫПУСК | КАТЯ, САРА...