Купить Датчик заднего хода ГАЗ-3110, 3302 Евро ...
Датчик скорости. Датчик заднего хода. — ГАЗ Газ...
Шестерня КПП ГАЗ-3307,3308,53,66 1-й передачи и...
Датчик топлива газ 3307 схема подключения
Крышка КПП ГАЗ 3307 ПАЗ 66 нов.обр. вилка задне...
ГАЗ 3307 Восстанавливаем свет заднего хода став...
Датчик заднего хода газ
Датчик-распределитель ГАЗ-3307
Купить Вилка включения заднего хода 4-ступенчат...
Датчик заднего хода УАЗ КРАЗ УРАЛ ЗИЛ ГАЗ ВАЗ ИЖ
Датчик заднего хода ВАЗ 2101, ГАЗ 3302, ЗАЗ 110...
Датчик указателя уровня топлива ГАЗ-3307, 16.38...
Вилка включения заднего хода КПП (Газ-3307) (ID...
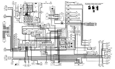
Схема электрооборудования ГАЗ-3307. | Автотема
Купить Блок шестерен заднего хода КПП ГАЗ-3307,...
Электросхема газ 3307 цветная с описанием: Цвет...
Купить Датчик заднего хода выключатель Газель У...
Купить Датчик (Выключатель) Света Заднего Хода ...
Датчик уровня топлива ГАЗ-3306, ГАЗ-3307, ГАЗ-3...
Включатель заднего хода: Купить Датчик заднего ...
Датчик Заднего Хода Газель, Волга, УАЗ, ВАЗ (по...
Датчик заднего хода ГАЗ-3302 байонет Н/О ЭМИ 13...
Датчик заднего хода ГАЗ-3302 КПП-5ст. н/о "Калу...
Схема кпп газ 3307
Ось шестерни заднего хода КПП ГАЗ 3307 66 (ДК) ...
Купить Датчик заднего хода Газель, Соболь, Волг...
Датчик давления масла ГАЗ-3307, 3309 ЭМИ - 6072...
Пневмогидравлические тормоза газ 3307 – Тормозн...
Датчик заднего хода ГАЗ 3302 ВК418-Т КАМАЗ МТЗ ...
Датчик заднього ходу (виключення) Газель 4216,В...
Купить Блок шестерен заднего хода ГАЗ-53.3307 (...