BQ25601D: Extremely low charging - Power manage...
BQ25601: BQ25601 SYS output abnormal - Power ma...
BQ25601: BQ25601 - Power management forum - Pow...
Bq25601
BQ25601D: D+/D- connection - Power management f...
BQ25606: Over-voltage and Overheating Queries -...
5-10pcs Bq25601rtwr Bq25601 Qfn-24 - Integrated...
Power IC Module BQ25601 – PMC Jewellery
Order BQ25601D Charging IC Online From TONY VIS...
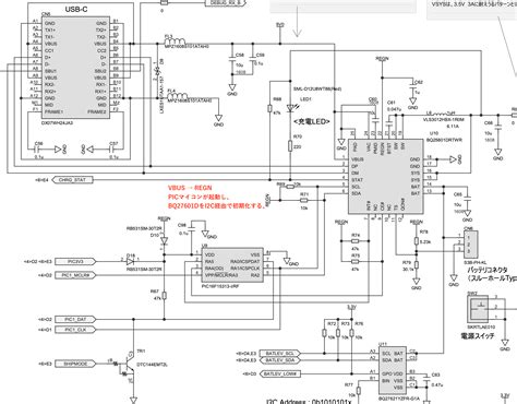
BQ25601: schematic review - Power management fo...
BQ25601: BQ25601 charge status issue - Power ma...
BQ25601: About output current spec of PMID pin ...
BQ25601 datasheet(50/60 Pages) TI1 | I2C Contro...
BQ25601: How to Set the System output voltage (...
BQ25601: BQ25601 output issue without battery -...
BQ25601: BQ25601 work abnormal - Power manageme...
BQ25601: BQ25601 OTG5V problem - Power manageme...
BQ25601: bq25601 - Power management forum - Pow...
WEBENCH® Tools/BQ25601: I designed this circuit...
BQ25601 IC - AKINFOTOOLS
BQ25601 Charge Control IC - KB GSM STORE BQ2560...
BQ25601: BQ25601 Input 12V protection - Power m...
BQ25601: -10'C ~ 0'C couldn't charging & couldn...
BQ25601: how to run standalone charging - Power...
BQ25601: BQ25601 charge - Power management foru...
BQ25601: BQ25601 charge query - Power managemen...
BQ25601 datasheet(5/60 Pages) TI1 | I2C Control...
BQ25601 D (OG) IC - AKINFOTOOLS
BQ25601: Power On Reset - Power management foru...
Online Demo Class BQ25601 IC Datasheet ( GR, Vo...
BQ25601 CHARGING IC at Rs 150/piece | Khidderpo...