SSD диск Foxline 2.5 X5 512 Гб SATA III TLC 3D ...
FSD10-1212 / 디바이스마트
FUJITSU FDS5+5 Converter power supply - 裕益科...
FL512M - 제품 이미지 - 액세서리&부속품 - 키보드...
SFS5-12C / 디바이스마트
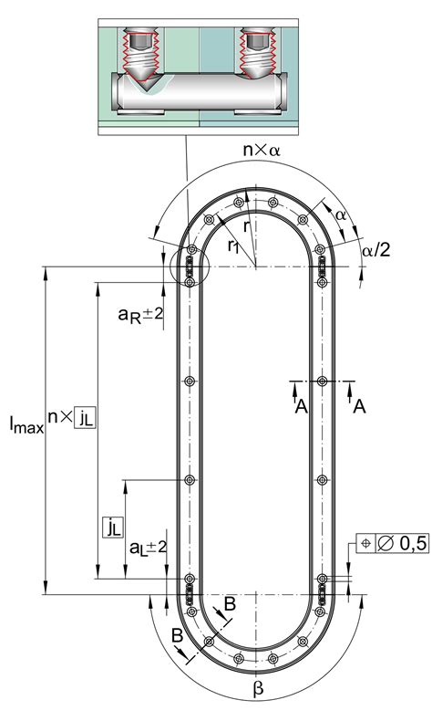
FNL512A -SKF Flanged Housing - Quality Bearings...
Dsd512 ถูกที่สุด พร้อมโปรโมชั่น ก.ค. 2023|BigGo...
페이지 > Harness(Cabling) > FSFD 572-1.5M
SSD Foxline 240Gb | Festima.Ru - Мониторинг объ...
512 ГБ Внутренний SSD-диск Foxline FLSSD512X5 (...
5PM12-FLD-FS Field Wireable Female Connector - ...
FL512SAIF01 - SPS Technologies
512 ГБ Внутренний SSD-диск Foxline FLSSDX5 (FLS...
Foxline FLSSD512X5 512GB SSD купить в Минске, цена
FSVS5
Fluss Bluetooth Controller — SecureRite
Купить SSD-накопитель "Azerty Borу R500" на 256...
Диск SSD 2.5'' Foxline flssd512X5 купить в Моск...
Feller - Online-Katalog
FÖRSVARETS MATERIELVERK FÖRSVARSSTANDARD FSD 51...
Купить Твердотельный накопитель Hikvision 256 Г...
5PM12-FLD-FS - Automation components (Smart Vis...
Foxline 512Gb FLSSD512X5 купить в KNS. SSD диск...
Диски SSD - SATA, M2., HDD SATA - 3.5, 2.5 купи...
LFS52x..-OV-500-VBS Fuehrungsschiene: online in...
SD5SL2-512G-1205E Apple SanDisk SSD 512gb MacBo...
fsd12.5 | NextBigFuture.com
FS512 Datasheet(PDF) - Littelfuse