Диагностика и порядок регулировки карбюратора н...
Регулировка пускового устройства карбюратора. В...
Рк карбюратора /1111 ОКА/ - АВТОРЕМ арт. 1111-1...
Карбюратор ВАЗ-1111 ДААЗ - 11110-1107010-00 - к...
ВАЗ 1111 | Ремонт карбюратора | Ока
Ремкомплект карбюратора типа "Солекс" 1111-1107...
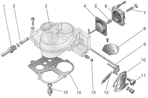
Разборка и сборка карбюратора ВАЗ-1111 Ока, Сис...
Прокладка карбюратора 2101 с герметиком 21010-1...
Как самому сделать прокладку для карбюратора
Прокладка крышки карбюратора Солекс ВАЗ 1111 Ока
Купить Прокладки Для Ремонта (Набор) Карбюратор...
Прокладка карбюратора ОКА - арт. 1111-1107606-0...
Прокладка патрубка карбюратора Каскад, купить д...
Ремкомплект карбюратора ВАЗ-1111 ДААЗ-1111 полн...
Карбюратор ДААЗ-1111
Устройство карбюратора (ВАЗ-1111 «Ока» 1988-199...
Карбюратор ДААЗ 1111 ремонт, настройка
Прокладка карбюратора ВАЗ 2101-2107, 2121 Нива,...
11111107606 Прокладка карбюратора СОЛЕКС под кр...
AutoCatalog Online - Легковые автомобили ВАЗ ВА...
Карбюратор ВАЗ 1111 (ДААЗ) - LADA арт. 11110110...
Разборка и сборка карбюратора (ВАЗ-1111 «Ока» 1...
Прокладки под карбюратор солекс 2108, 21081, 21083
Ремкомплект карбюратора 1111 ОКА полный | Автом...
Регулировка карбюратора ВАЗ ОКА 1111 и ОКА 1111...