Вакум тормозной,главный тормознойГаз 52,Газ 53,...
ГАЗ ГАЗ-52-01 Главный цилиндр гидравлического т...
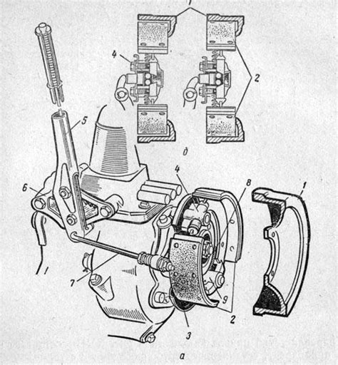
Главный тормозной цилиндр газ 52 устройство и п...
Цилиндр тормоза главный УАЗ старого образца, ГА...
Устройство главного тормозного цилиндра - YouTube
ГАЗ-52 - технические характеристики, модификаци...
Двигатель газ 52 технические характеристики: ГА...
Двигатель ГАЗ 52- Устройство и технические хара...
Цилиндр тормозной главный ГАЗ-52, 53, КРАЗ-260 ...
Главный тормозной цилиндр Газель Некст - YouTube
Цилиндр тормозной главный ГАЗ-53 в сборе (без б...
Дизель газ 52: Замена двигателя ГАЗ-52 на дизель
Главный тормозной цилиндр ГАЗ-52 на ГАЗ-24 - Yo...
Купить главный тормозной газ 52 новый 200.0 грн...
Мотор газ 52: технические характеристики, объем...
Главный тормозной цилиндр - YouTube
Ремонт главного тормозного цилиндра газ 52 - Yo...
Фото газ 52 двигатель: Двигатель ГАЗ 52: характ...
Двигатель ГАЗ 52 в сборе - YouTube
Двигатель ГАЗ-52 (17 фото): характеристики мото...
Цилиндр главный тормозной ГАЗ-51,52, КРАЗ-260 (...
Цилиндр главный тормозной газ 53 старого образц...
Главный тормозной цилиндр ГАЗ 66 / ГАЗ 21 - You...