Автономный контроллер доступа со встроенным счи...
CRE-71 Сетевой контроллер со считывателем ELTIS...
Контроллер доступа со встроенным считывателем и...
PERCo-CL05.2 контроллер замка со встроенным счи...
Контроллер автономный со Считыватель SEVEN CR-7...
T16EM Автономный контроллер со встроенным считы...
ELTIS CRT-71 [5/20] Конструктивное исполнение
Matrix-II (мод. EK) автономный контроллер со сч...
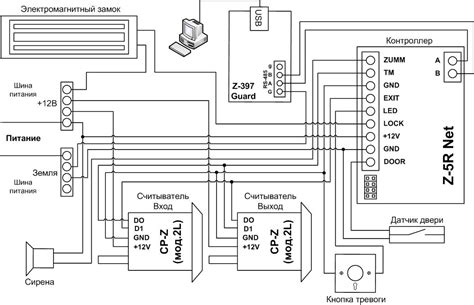
Crt 71 eltis схема подключения - 88 фото
Контроллер со считывателем SEVEN CR-772b купить...
Купить Контроллер со считывателем Iron Logic Ma...
ELTIS CRT-71 Руководство по эксплуатации онлайн
Купить Сетевой контроллер доступа со считывател...
Комплект автономный контроллер со считывателем ...
Контроллер со считывателем SEVEN CR-772w купить...
IronLogic Matrix-II E K NET Сетевой контроллер ...
CRT-71 Контроллер со считывателем ELTIS купить
Crt 71 eltis схема подключения
Автономный контроллер со считывателем - купить ...
Кодовая клавиатура + считыватель SEVEN CR-775s
Контроллер со считывателем SEVEN CR-772m купить...
Распаковка контроллера со считывателем Seven CR...
CRT-51 Контроллер со считывателем ELTIS купить
Сетевой контроллер совмещенный со считывателем ...
Контроллер со встроенным считывателем и клавиат...
Контроллер скуд контроль доступа eltis crt-71 |...
Контроллер со встроенным считывателем SEVEN CR-...
ᐉ Контроллер доступа со считывателем с кодовой ...