Комбинация приборов (ПАЗ Вектор NEXT с АКПП) 32...
ПАЗ-3205
ПАЗ-3205 – технические характеристики, устройст...
Автомодельное бюро: ПАЗ-3205 второй опытной серии
Купить запчасть Комбинация приборов для ПАЗ (24...
ПАЗ 3205 из картона на радиоуправлении | Пикабу
Комбинация приборов ПАЗ-3205, ЗиЛ-4331, 433710,...
ПАЗ 3205 технические характеристики, габариты, ...
Паз грузоподъемность 3205: ПАЗ-3205 – техническ...
Комбинация приборов 24в ЗИЛ-4331, 433710, 43336...
ПАЗ-3205. Четверть века производства | Журнал С...
Modelpro. ПАЗ - 3205 - 30К. ВЗТ 0 - 11. - YouTube
ПАЗ-3205 - технические характеристики автобуса
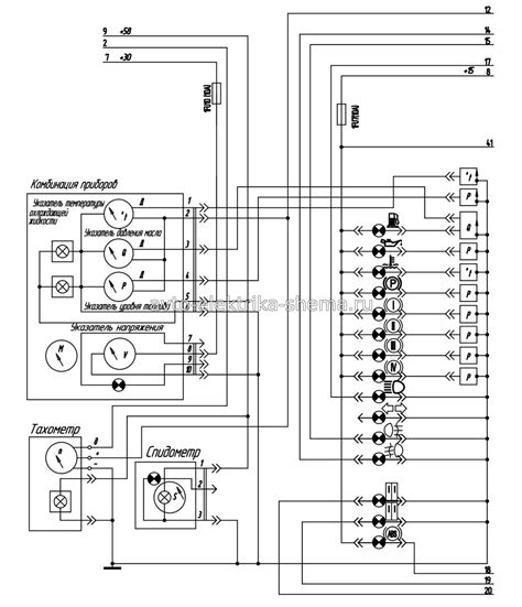
Схема паз 3205 электрическая – Электрические сх...
ПАЗ 3205: цена ПАЗ 3205, технические характерис...
Схема подключения коммутатора паз 3205
Щиток и комбинация приборов с гибким валом ПАЗ-...
Паз 3205 технические характеристики, габариты, вес
Щиток приборов комбинация приборов Паз 3205 куп...
Комбинация приборов ЗИЛ-5301, ПАЗ-3205 12В 3638...
Комбинация приборов ПАЗ 32053, 3205, ЗИЛ 4331 (...
Комбинация приборов (ПАЗ Вектор NEXT с МКПП) 32...
Комбинация приборов паз-3205,ЗИЛ-4331,433710,ла...
Схема электрооборудования паз
Выбор панели приборов (торпедо) — ПАЗ 3205, 4,7...
Панель приборов ПАЗ-3205-110
Панель приборов паз вектор некст обозначения
Комбинация щитка приборов ПАЗ 24v 71.3801-01 | ...