SVEN MS-309
Колонки sven ms 930 | Festima.Ru - Мониторинг о...
Акустическая система sven ms-930 | Festima.Ru -...
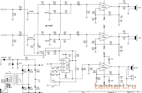
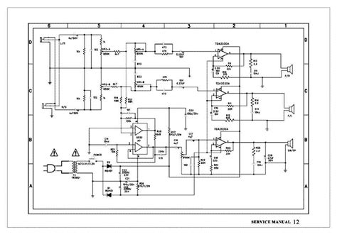
Ремонт Схема Электрическая Sven Ms 930 - tokzam...
Активная 2.1-акустика Sven MS-930
Sven MS-930 2.1 Acoustic System - YouTube
В стиле модерн. Обзор SVEN MS-930, мультимедийн...
Колонки SVEN MS-930 | отзывы
Домашняя аудиосистема SVEN HA-930 из бамбука 🔆О...
Колонки sven MS-930 без усилителя | Festima.Ru ...
Колонки 2.1 SVEN MS-930 - YouTube
Колонки Sven ms-930 купить в Санкт-Петербурге |...
Колонки SVEN MS-930 - «Неплохие колонки,но можн...
Компьютерные колонки sven MS-930 Москва | Аудио...
Колонки с сабвуфер sven MS 930 | Festima.Ru - М...
SVEN MS-930
Sven Ms-930 - Песочница (Q&A) - Форум по радиоэ...
Аудиосистема Sven MS-930, без усилителя купить ...
Davorch's blog: Корпус для домашнего сервера (N...
Новые модели акустики SVEN: MS-930 (2.1) и SVEN...